| All returns accepted | ReturnsNotAccepted |
|---|---|
| Non-Domestic Product | No |
| Brand | Does not apply |
| Custom Bundle | No |
| MPN | Does not apply |
| Modified Item | No |
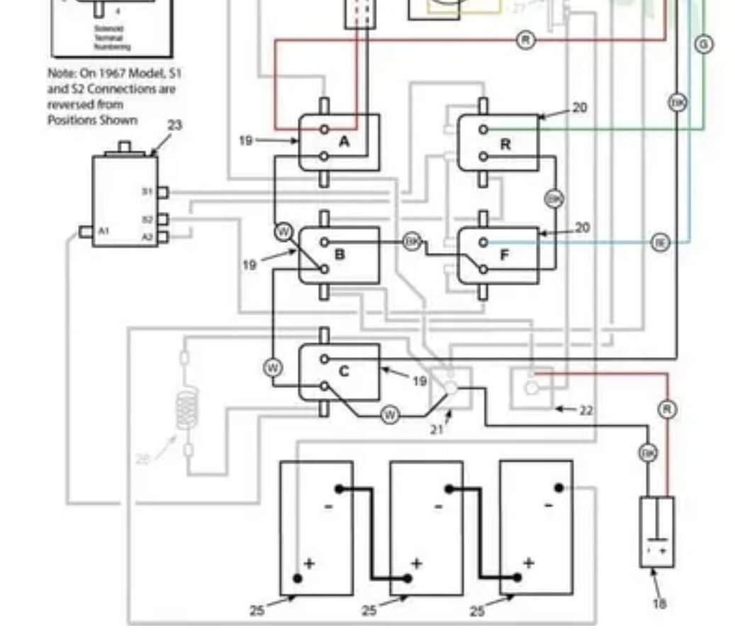
Check the listing for details. Harley Davidson Gas Electric Golf Cart Service Repair Manual Parts 63 - 03 on 4G. Condition: New other (see details). Listed at 11.99 USD. Harley Davidson Gas Electric Golf Cart Service Repair Manual Parts 63 - 03 on 4G. Golf Cart Service Repair Owners Manuals Complete Now on a4 Gigabyte Flash drive!!!!! We had been offering this on a 1 gig drive but customers requested more space for data. We Listened!!!!!! Note: This is a digital set on a flash drive. This is not a physical set. See below for the list. THIS TOOK YEARS TO COMPILE! From a 20 year business! You will receive a massive, comprehensive digital library of owner, service, and repair manuals Over 1,000 sold!!! *NOTE: This covers GAS and ELECTRIC golf carts!!! Most sellers on eBay are selling these types of manuals on a 3 cent CD. Try using aCD or DVDon your chrome book, tablet, pad, etc..... Right??... noCD/DVD drive on those. But just about every electronic device outtherehas a USB port. This flash drive works on any computer with a USB port. PERFECT! (Not even all desk top computers have a drive for DVD or CD for their digital manuals, but all computers have USB ports for mine!) PLUS...you can add tothe flash driveas you go. Try doing that with a CD! Put it in your pocket or on your key chain and have your manuals with you at work, your man cave, diva den, orwherever your projects are. Plug and play on your computer. Look for what you need or print the pages you need for field work. Have your electronic device with you on site and plug and play. YOU GET: *A brand new 4GB flash drive preconfigured and preloaded with: *Harley Davidson Gas Electric Golf Cart Service Repair Manual Parts 63 - 03 *These Manuals are long and comprehensive with details, illustrations, part numbers, indexes, reference, etc, and all aspects, products, chassis, engine, transmission and electrical issues are covered. Note: The 4 gig flash drive itself is a $11 value and you get it with these hard to find manuals! Great deal!u THIS IS A MUST HAVE FOR THE TECHNICIAN OR BACK YARD ENTHUSIAST AND HOBBIEST! GET IT NOW!!!!!!!! Note: This is a digital set on a flash drive. This is not a physical set. Note: Because this sale is for a large amount of proprietary digital information, returns will not be accepted. .