| Return shipping will be paid by | Seller |
|---|---|
| Returns Accepted | Returns Accepted |
| Item must be returned within | 30 Days |
| Refund will be given as | Money back or replacement (buyer's choice) |
| Items Included | Valve Cotters |
| Manufacturer Part Number | 80-80715 |
| Material | Steel |
| Superseded Part Number | 1WG-12118-00-00 |
| Item Length | does not apply |
| Vintage Part | No |
| California Prop 65 Warning | yes |
| Brand | Kibblewhite Precision |
| Type | Valve Spring Lock |
| Interchange Part Number | 1AA-12118-00-00 |
| OE/OEM Part Number | 1WG-12118-00-00 |
| Manufacturer Warranty | 1 Year |
| Item Height | does not apply |
| Country/Region of Manufacture | United States |
| Finish | Unfinished |
| Item Width | does not apply |
| Performance Part | Yes |
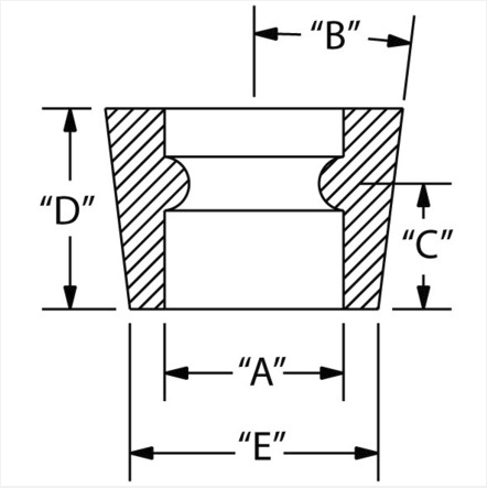
Check the listing for details. Kibblewhite Valve Keepers Kit OEM Head Guide Rebuild Yamaha YFZ450 YZ450F YFZ WR. Condition: New. Listed at 18.98 USD. Kibblewhite Precision Complete Valve Cotters / Keepers Kit (For All 5 Valves)Yamaha YFZ450 2004 2005 2006 2007 2008 2009 2010 2011 2012 2013Yamaha YFZ450R 2009 2010 2011 2012 2013 2014 2015 2016 2017 2018 2019 2020 2021 2022 2023Yamaha YFZ450X 2008 2009 2010 2011Yamaha YFZ450SE 2010 2011 2012 2013 2014 2015 2016 2017 2018 2019 2020Yamaha WR450 2003 2004 2005 2006 2007 2008 2009 2010 2011 2012 2013 2014 2015Yamaha YZ450F 2003 2004 2005 2006 2007 2008 2009 Description: KPMI® manufactures keepers from high tensile strength H. T. Steel. Close attention to details such as taper angle, bead location, ID, OD, radius dimension of bead style keepers, and width of square groove style keepers insure proper, repeatable fitment and assembly locations. Specs: Type: Intake / Exhaust Keeper Style: Single Radius Bead Quantity: 3 Pair Intake Keepers / 2 Pair Exhaust Keepers Intake Stem Diameter "A": 0.177" Intake Keeper Angle "B": 6.0º Intake Bead Height "C": 0.186" Intake Overall Length "D": 0.221" Intake Minor Diameter "E": 0.212" Exhaust Stem Diameter "A": 0.196" Exhaust Keeper Angle "B": 6.5º Exhaust Bead Height "C": 0.181" Exhaust Overall Length "D": 0.216" Exhaust Minor Diameter "E": 0.270"Note: The bead height is referenced from the minor diameter of the keeper to the center of the bead.We ship worldwide & ship all domestic orders free!