Brand Ausweigh

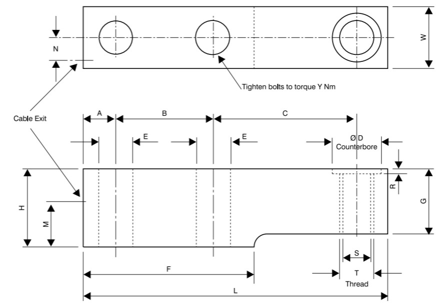
Check the listing for details. Shear beam SB1 Load cell , 1000kg capacity. Condition: New. Listed at 129.00 USD. Load cell signal : 2mV/V. Loading hole: one hole, M12 thread. Warranty: One year. GST invoice will be provided.

$64.50
$129.00