| Restocking Fee | No |
|---|---|
| Return shipping will be paid by | Buyer |
| All returns accepted | Returns Accepted |
| Item must be returned within | 30 Days |
| Refund will be given as | Money Back |
| Country of Manufacture | United States |
| Brand | Thermal Dynamics |
| Country/Region of Manufacture | United States |
| Item Type | Manual |
| MPN | Pak 44 |
| Subject | Metal Cutting |
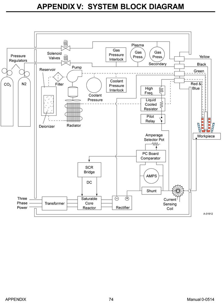
Check the listing for details. Thermal Dynamics PAK 44 Plasma Cutter Instruction & Servicing Manual *979. Condition: New – Open box. Listed at 35.00 USD. Thermal Dynamics Pak 44 Plasma Cutter Instruction & Servicing Manual For models: Pak 44 Description: This is an Instruction & Servicing Manual for the PAK44 plasma cutter. It has instructions on Operation, Servicing, Troubleshooting, Exploded Parts Views, Parts Lists, & Installation. The manual has 82 pages. To inspect the quality of the manual, view the table of contents, and to view select pages, please click on the gallery images above to enlarge. Note: This manual does cover the operation or servicing of the torch. Includes sections on: Installation Operation Servicing Troubleshooting Torch Exploded Parts Diagrams Parts List Number of pages: Approx 82 Condition: Very Good Publication Date: May 2005 Publication No.: 0-0514 Added Notes: About This Manual: This manual is from a dealer that sold out the new old stock they no longer needed. Ships USPS First Class Free or Upgrade to Priority Mail for faster delivery. Sales tax charged for Kansas sales. See my for more manuals