| Return shipping will be paid by | Buyer |
|---|---|
| All returns accepted | Returns Accepted |
| Item must be returned within | 14 Days |
| Refund will be given as | Money Back |
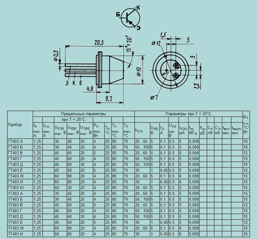
| Number of Pins | 3 |
| Type | PNP |
| Transistor Category | Germanium Transistors |
| Brand | Germanium Transistors |
Check the listing for details. GT402 GT308 GT404 GT305 1TM305 Germanium Transistors for Fuzz Face Guitar pedal. Condition: New. Listed at 1.00 USD. Series Low Power Germanium Transistors (ex-USSR)GT402 A ( ГT402 A ) = AC128 ,Germanium PNP Transistor GT402 B ( ГT402 Б ) ~ AC127, AC132, AC152 PNP Germanium PNP Transistor GT402 J ( ГT402 Ж ) =AC128 ,Germanium PNP Transistor GT402 I ( ГТ402 И ) = AC117 = AC138 = AC152 Germanium P-N-P Transistor GT402E = AC132 = AC188 for fuzz Guitar Pedal EffectsGT308B /1T308B (ГТ308Б) ~ 2N1683, 2N2048, 2N2400, 2N796, 2SA412, 2N1854. PNPGT308V (гт308в) ~ AF109, 2N2048, PNP Fuzz Face GERMANIUM PNP TRANSISTORS 0.15 W 0.05 A GT305B (1TM305Б) ~ 2N980, 2N979, PNP Fuzz Face GERMANIUM PNP TRANSISTORS 0.075 W 0.04 A GT404 J ( ГT404 Ж ) GT404B =AC176 = AC127 = AC187 N-P-N Germanium transistor Fuzz Face GuitarGT404 AGT404 GGT404 D